TR-3715 FINN 3

Più di
un prodotto!
Il nostro approccio si integra perfettamente con i nostri prodotti. Collabora con noi e troverai un partner affidabile che lavora al tuo fianco, ragionando insieme a te in ogni fase del percorso!
Guida telescopica a sfere a due stadi con carrello per cassetto e ammortizzatore. Guida a estensione singola molto robusta, con una capacità di carico fino a 78 kg (172 lbs). Realizzata tramite profilatura a freddo, è facilmente impiegabile in applicazioni di stoccaggio professionale.
Specifiche

46 - 78 kg
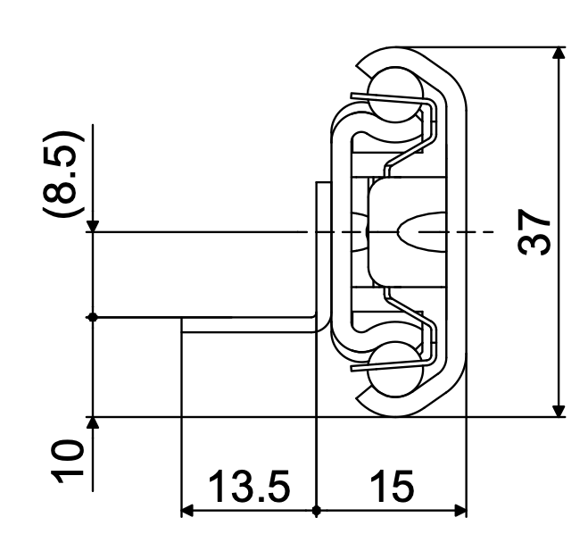
37 mm
15 mm
Informazioni tecniche
Più di un prodotto
Il nostro approccio si integra perfettamente con i nostri prodotti. Collabora con noi e troverai un partner affidabile che lavora al tuo fianco, ragionando insieme a te in ogni fase del percorso!
Ammortizzatore con funzione di chiusura trattenuta
Un ammortizzatore con funzione di chiusura trattenuta, applicato a una guida telescopica, unisce i vantaggi della smorzatura con la capacità di mantenere il cassetto chiuso. Questo sistema include un ammortizzatore che assorbe l’impatto e riduce il rumore in fase di chiusura, oltre a un meccanismo che trattiene il cassetto nella posizione chiusa. Questa funzione è ideale per garantire un aspetto ordinato e stabile, offrendo al contempo maggiore sicurezza e durata nel tempo.

Foro
I fori in una guida telescopica servono per fissare la guida sia alla superficie di montaggio o al mobile, sia al cassetto. Forniscono punti di ancoraggio per viti o bulloni, garantendo che la guida rimanga saldamente in posizione durante l’utilizzo. Inoltre, alcuni fori consentono regolazioni nella posizione, facilitando un allineamento preciso e un movimento fluido.

Carrello per cassetto
Il carrello per cassetto in una guida telescopica è una staffa angolare montata sulla guida, utilizzata per fissare e sostenere il cassetto. Questo componente è direttamente collegato al cassetto e si muove insieme ad esso durante l’apertura e la chiusura.
