TR-2711 EMS 2

Mehr als
ein Produkt!
Unser Ansatz ergänzt unsere Produkte.
Arbeiten Sie mit uns zusammen und erleben Sie einen zuverlässigen Partner, der an Ihrer Seite steht und bei jedem Schritt mitdenkt.
Teilauszug-Teleskopschiene mit Kugellager und Schubladenträger für leichte Belastungen. Unterstützt Lasten bis zu 28 kg/61,7 lbs. Perfekt für leichte Anwendungen wie Möbelanwendungen.
Spezifikationen

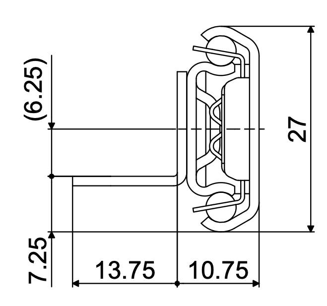
22 - 28 kg
27 mm
10.75 mm
Technische Informationen
Mehr als ein Produkt
Unser Ansatz ergänzt unsere Produkte.
Arbeiten Sie mit uns zusammen und erleben Sie einen zuverlässigen Partner, der an Ihrer Seite steht und bei jedem Schritt mitdenkt.
Löcher
Löcher in einer Teleskopschiene dienen dazu, die Schiene sowohl an der Montagefläche als auch am Schrank und an der Schublade zu befestigen. Sie bieten Befestigungspunkte für Schrauben oder Bolzen, die dafür sorgen, dass die Teleskopschiene während des Betriebs fest an seinem Platz bleibt. Darüber hinaus ermöglichen einige Löcher eine Anpassung der Positionierung, was eine präzise Ausrichtung und reibungslose Bewegung ermöglichen.

Schubladenträger
Ein Schubladenträger an einer Teleskopschiene ist ein Winkel der an der Schiene montiert ist, um eine aufliegende Montage zu realisieren.
